|
STC Solenoid and Pneumatic
Directional Control Valve Specifications
Download Dimensions:
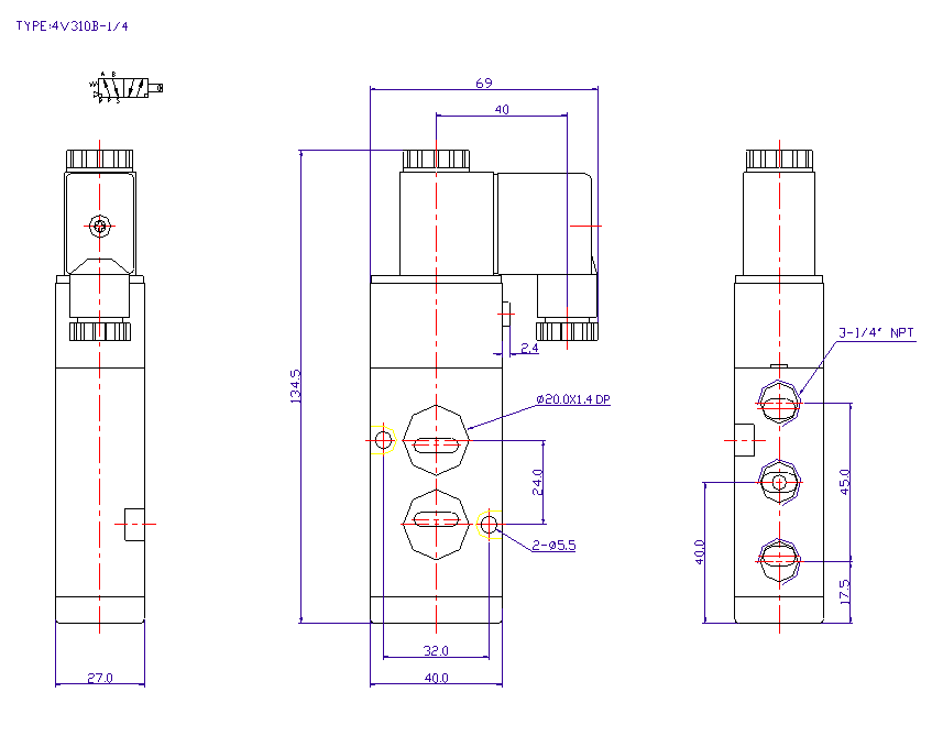
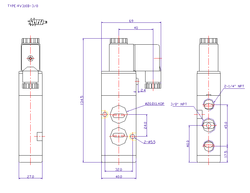
4V310-3/8
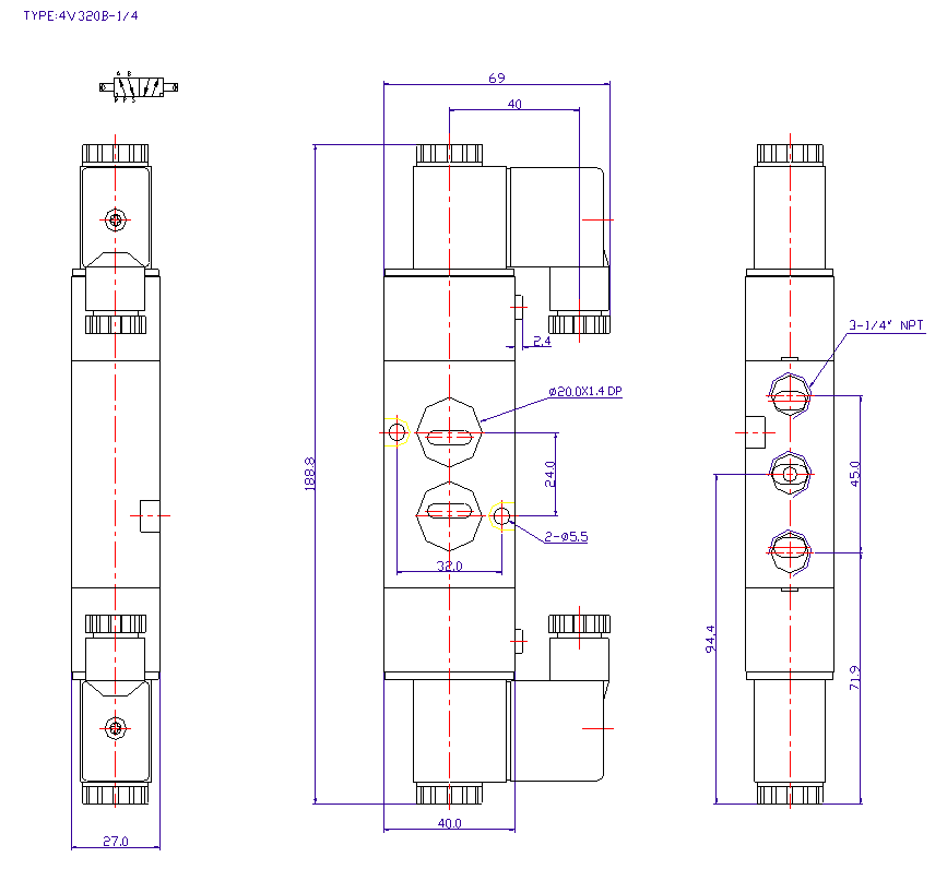
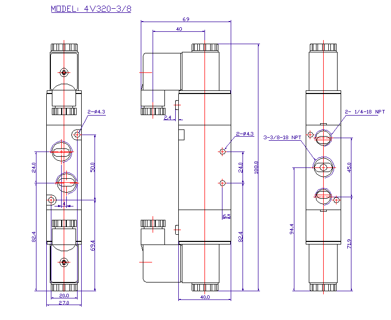
4V320-3/8
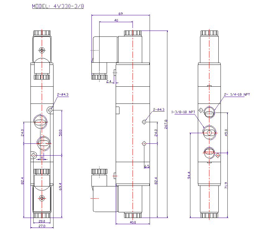
4V330-3/8
(UNIT=MM)
|
Specifications |
|
Port & Mounting |
Body Ported, |
|
Action & Motion |
Pilot Operated, Spool Design, Two Position,
4 Way, 5 Body Ported Solenoid
Valve |
|
Operating Pressure |
21 to 115 PSI |
|
Working
Medium |
40 MICRON FILTERED AIR |
|
Operating Temperature |
(-10 to 60 Deg. C) with non-freezing medium |
|
Coil Insulation & Protection Class |
F Class, IP65 (CE Certification) |
|
Coil Power, Duty
Cycle |
3 or 4.8 Watts, 100% ED |
|
Electrical Connection |
D = DIN 43650B (with LED indicator, conduit terminal)
G = Grommet (12” Lead Wire) |
|
Body Material |
ALUMINUM |
|
Seal Material |
NBR |
|
Armature Tube |
BRASS |
|
Plunger & Spring |
Stainless steel |
|
Lubrication |
Not Required |
|
Part No.
|
Valve Picture
|
Port Size
(NPT)
|
Voltage Options
|
Electrical Entry
Options
|
Port No/ Position/Solenoid
|
Cv
Flow Rate
|
Response Time
|
Power Consumption
|
|
4V310-3/8
|
|
3/8 (inlet/outlet) 1/4
(Exhaust)
|
1=12VDC
2=24VDC
2A=24VAC
3=110VAC
4=220VAC
(50/60Hz) |
G=Grommet
D= DIN (with LED indicator) |
5/2/1
Four Way Valve
|
1.68
80 SCFM @100 PSI
|
< 20 ms
|
3-4.8 W
|
|
4V310B-1/4
4V310B-3/8
|
|
1/4 (inlet)
1/4 (Exhaust)
3/8 (inlet)
1/4 (Exhaust)
|
5/2/1
Actuator Mount
Four Way Valve
|
1.68
80 SCFM @100 PSI
|
< 20 ms
|
|
4V320-3/8
|
 |
3/8 (inlet/outlet) 1/4
(Exhaust)
|
5/2/2
Double Solenoid
Four Way Valve
|
1.68
80 SCFM @100 PSI
|
< 20 ms
|
|
4V330C-3/8
|
|
3/8 (inlet/outlet) 1/4
(Exhaust)
|
5/3/2
Double Solenoid
Three Position, Closed Center
Four Way Valve
|
1.68
80 SCFM @100 PSI
|
< 20 ms
|
|
|